Roll Dies
Solid Round Marking Dies
Solid roll dies are the perfect choice for logos and static marking legends. The roll dies and engraved to ensure the marking legends are perfectly aligned. The characters and marks are all have the same wear and mark with the same depth and width of mark. Columia Marking Tools pffer a large selection of roll dies.








Columbia Marking Tools Roll Dies
Many standard designs of roll dies for different applications.


The wafer die holder holds multiple individual wafer or character roll dies, and is used in the Model 2020 or 4040 Columbia Makring Tools bar stock marking machines.These wafer dies are interchangeable. They can be used in groups to make different variable readings required on bar stock – including Material Identification, Heart Codes, Date Codes, Lot Numbers.
The wafer dies offer:
- Reduced tooling costs over Solid roll dies
- flexible marking legends
Technical Specifications:


Standard RMWDH to hold:


The CMT Roll Carriage series DCA use the CMKA 3” roll dies. These quality dies are designed for high volume marking and industrial use. The roll dies are offered in three sizes to fit into the respective roll carriages. The CMKA solid roll dies fill the carriage and are a perfect fit for logos and static marking
Technical Specifications:


Roll Die Widths:
Optional 2nd Keyway upgrade
This upgrade includes 2 keyways with two identical readings. The double engraved roll dies offer extended life and a cost savings over the purchase of 2 dies. The marking legend must be under 4.5” in length for this great cost saving feature


The CMT Roll Carriage series DCC use the CMKC 3” roll dies. These quality dies are designed for high volume marking and industrial use. The roll dies are offered in three sizes to fit into the respective roll carriages. The CMKC solid roll dies fill the carriage and are a perfect fit for logos and static marking
Technical Specifications:


Roll Die Widths:
Optional 2nd Keyway upgrade
This upgrade includes 2 keyways with two identical readings. The double engraved roll dies offer extended life and a cost savings over the purchase of 2 dies. The marking legend must be under 4.5” in length for this great cost saving feature

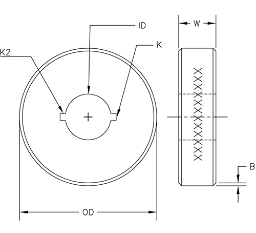
Please provde the following paramters for a custom Roll Die.
- OD =
- Outer Diameter
- ID =
- Inner Diameter
- W =
- Width
- B =
- Bevel
- K (K2) =
- Keyway size and second keyway if needed
- Character Size & Reading =
- Measured from the tip of the character
- Character Width =
- Standard width is Style 2A, width is 50% of the character size. Standard to be used if no additional information is provided.